官方电话:400-0300263

股票代码:300263

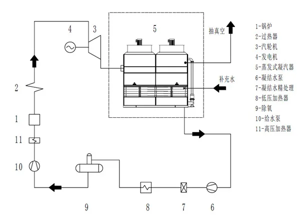
蒸发式凝气器

蒸发式凝气器

类别:sunbet集团中国官网入口
蒸发式凝汽器是采用蒸发冷凝为主体换热方式的高效、节能、节水、环保的凝汽设备。蒸发式凝汽器集凝汽器、冷却塔、循环水泵及泵房于一体,结构紧凑,可将庞大的水冷凝汽系统设备化;是一种高效、节能、节水、环保型凝汽设备。可节水30%-50%;节电10%-20%;占地面积小,操作维护简便。
咨询热线:400-0300263 / 13213577667
工作原理


  蒸发式冷却器中被冷却介质通过换热管与管外的喷淋水蒸发的潜热和喷淋水与空气的显热进行热交换,利用轴流风机,将空气从进风格栅吸入,向上横掠过换热管束把热量排出机体,在风机下部安装有高效收水器,防止水滴随空气被带走。
  蒸发式冷凝器顶部的喷淋水在下落到水箱内,经喷淋水泵循环使用,喷淋水在下落过程中一方面吸收管内热量,一方面蒸发降温,蒸发掉的部分喷淋水通过补水阀自动补充。

产品特点
蒸发式凝汽器主要利用水的蒸发潜热换热,换热机理先进、高效,其换热效果取决于当地的湿球温度,冷凝温度(背压)低,由于水的蒸发潜大,故较少的用水即可满足换热需要。 蒸发式凝汽器集凝汽器、冷却塔、循环水泵及泵房于一体,结构紧凑,可将庞大的冷凝系统设备化;是一种高效、节能、节水、环保型凝汽设备。
产品优势
应用领域

火力发电、余热发电等的乏汽冷却及对直接空冷系统的改造。

填写您的需求,获取方案及报价
sunbet申搏官方网站将为您提供专业的方案及服务!

联系人*

联系电话*

需求填写*

提交留言
*我们的专属客服将在24小时内,与您取得联系,请正确填写联系方式。
网站首页 电话咨询 返回顶部